© MATRIciel, Maître d’ouvrage : Brussels Partners, Architecte : BAEV
Informations générales du projet
Maître de l’Ouvrage : Brussels Partners
Programme : Construction d’un centre d’imagerie médicale
Situation : Route de Lennik – 1170 Anderlecht
Surface : 1.400 m²
Architectes : BAEV
Dates : Réception provisoire en mai 2016
Missions de MATRIciel
Guidance énergétique et de confort (niveau d’isolation pour atteindre les exigences PEB, solutions de production de chaleur et de froid)
Rédaction des dossiers de soumission pour les installations HVAC et les installations électriques
Mission de Conseiller PEB
Description du projet
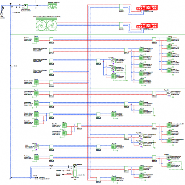
Ce centre d’imagerie médicale est constitué de 2 niveaux accueillant une IRM, un scanner, un local radiographie, deux locaux mammographie, deux locaux échographie.
Solutions mises en place :
- Le système de ventilation est mécanique avec récupération de chaleur à plaques et un by-pass
- Le chauffage, la climatisation, la production d’eau chaude sanitaire du bâtiment ainsi que le refroidissement partiel des machines sont fournis par installation DRV (débit de réfrigérant variable)
- En été, la chaleur dégagée par les machines d’imagerie et les locaux est partiellement récupérée pour la production d’eau chaude sanitaire. Le reste de la production de froid est assurée par une pompe à chaleur réversible à haute efficacité.
- En hivers, la chaleur dégagée par les machines d’imagerie et le local informatique est partiellement récupérée pour la production d’eau chaude sanitaire et le chauffage des locaux.













